
 
    在线咨询咨询热线:88888888
咨询客服,我们快速为您报价,或者提供技术支持!
	 
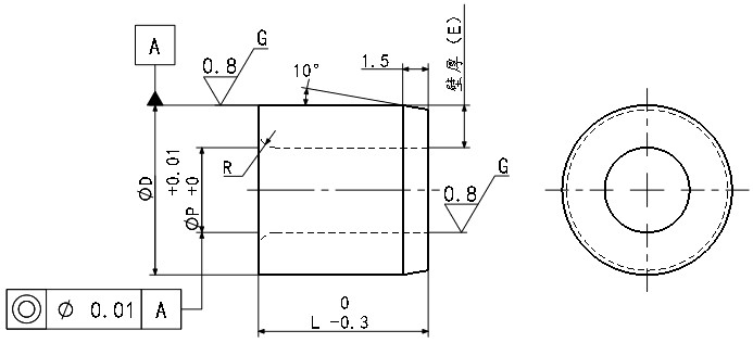
	· 请按照选型步骤①-④选择型式和参数后进行订购。
订货举例:型式(①Type.②D)-③P-④L
BAUFMJR7-P4-L6
| Type | 材质 | 表面处理 | 硬度 | |
| D尺寸m6 | D尺寸p6 | |||
| BAUFMJR | BAUFPJR | SUJ2 | / | 58~61HRC | 
| BAUFMJRN | BAUFPJRN | SUJ2 | 无电解镀镍 | 58~61HRC | 
·
| 型式 | D容差 | D容差 | 
					P | 
					L | 壁厚(E) | R | |
| Type | D | D公差(m6) | D公差(p6) | ||||
| 
 | 7 | 
					+0.015 | 
					+0.024 | 3.51~5.00 | 5.0~8.0 | 1.00~1.74 | 0.5 | 
| 
 | 8 | 4.51~6.00 | 5.0~13.0 | ||||
| 
 | 9 | 4.51~6.50 | 1.25~2.24 | ||||
| 
 | 10 | 6.51~8.00 | 5.0~20.0 | 1.00~1.74 | |||
| 
 | 11 | 
					+0.018 | 
					+0.029 | 8.00~9.00 | 1.00~1.50 | ||
| BAUFMJR | 12 | 8.51~9.00 | 1.50~1.74 | ||||
| BAUFMJRN | 13 | 8.51~10.00 | 1.50~2.24 | ||||
| 
 | 14 | 9.00~11.00 | 1.50~2.50 | ||||
| 
 | 15 | 10.51~12.00 | 5.0~40.0 | 1.50~2.24 | |||
| BAUFPJR | 17 | 10.51~13.00 | 2.00~3.24 | 1.0 | |||
| BAUFPJRN | 18 | 12.51~14.00 | 2.00~2.74 | ||||
| 
 | 20 | 
					+0.021 | 
					+0.035 | 13.51~15.00 | 2.50~3.24 | ||
| 
 | 22 | 13.51~17.00 | 2.50~4.24 | ||||
| 
 | 25 | 15.51~19.00 | 3.00~4.74 | ||||
| 
 | 26 | 16.51~20.00 | |||||
| 
 | 30 | 20.51~24.00 | 1.5 | ||||
| 
 | 35 | 
					+0.025 | 
					+0.042 | 25.01~29.00 | 5.0~60.0 | 3.00~4.99 | |
	· 
!P≤3.59时,L≤PX2.5 P≥3.6时,L≤Px3.0 

扫一扫,关注我们
