
 
    在线咨询咨询热线:88888888
咨询客服,我们快速为您报价,或者提供技术支持!
	 
| 型号 | 材质 | 表面处理 | 
| ZJWFT | S45C | - | 
| ZJWFTY | 四氧化三铁保护膜 | |
| ZJWFTN | 无电解镀镍 | |
| ZJWFS | SUS303 | - | 
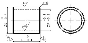
| 型号 | 
					P
				 
					(P尺寸3以上指定单位0.5mm)
				 | D | L | C | 
| 
					ZJWFT
				 
					ZJWFTY
				 
					ZJWFTN
				 
					ZJWFS
				 | 
					(选择)
				 
					2.0
				 
					2.6
				 
					3.0~90.0
				 
					(指定单位0.5mm)
				 | 
					(选择)
				 
					2.0
				 
					2.6
				 
					3.0~90.0
				 
					(指定单位0.5mm)
				 | 
					10.0~100
				 
					(指定单位0.1mm)
				 | D16.5以下C为0.1~0.2 | 
| D16.5以上C为0.5以下 | 

扫一扫,关注我们
