
 
    在线咨询咨询热线:88888888
咨询客服,我们快速为您报价,或者提供技术支持!
	 
| 尺寸选择型 | 尺寸自由指定型 | 相当材质 | 颜色 | 
| ZSKW | ZSKFW | 聚缩醛 | 白色 | 
| ZSKB | ZSKFB | 黑色 | |
| ZSKY | ZSKFY | 尼龙(标准型) | 米黄 | 
| ZSKN | ZSKFN | 蓝色 | |
| ZSKE | ZSKFE | PEEK | 灰色 | 
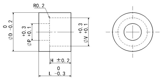
| 型号 | D | V (指定单位0.5mm) | P (指定单位0.5mm) | H (指定单位0.5mm) | L (指定单位0.5mm) | 
| ZSKFW ZSKFB ZSKFY ZSKFN ZSKFE | 10.0~20 指定单位0.5mm | 5.0~55.0 V≤D-2 | 3.0~53.0 P≤V-2 | 1.0~48.0 L-H≤Px8 | 3.0~50.0 | 
| 21~60 指定单位1mm | 

扫一扫,关注我们
