
 
    在线咨询咨询热线:88888888
咨询客服,我们快速为您报价,或者提供技术支持!
	 
·
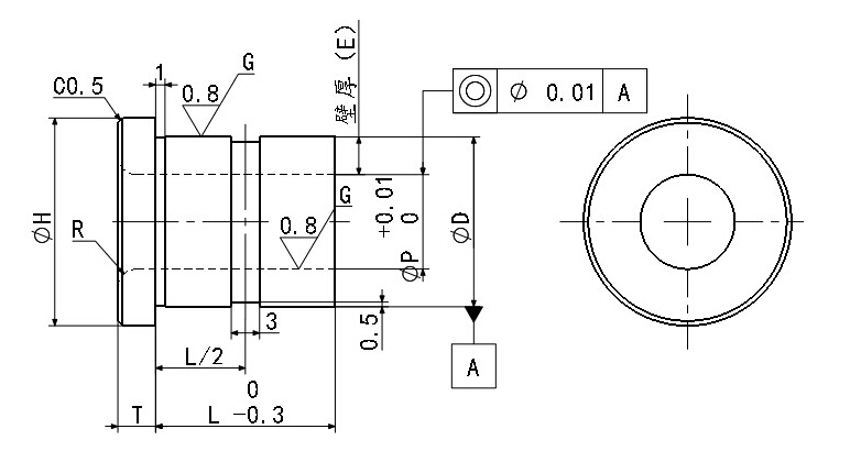
	· 请按照选型步骤①-④选择型式和参数后进行订购。
订货举例:型式(①Type.②D)-③P-④L
BCAKRYP8-P4-L10
| Type | 材质 | 表面处理 | 硬度 | |
| D尺寸p6 | D尺寸m6 | |||
| BCAPKRY | BCAMKRY | SKS3 | 四氧化三铁保护膜 | 55~60HRC | 
| BCAPKR | BCAMKR | SKS3 | / | 55~60HRC | 
| BCAPKRN | BCAMKRN | SKS3 | 无电解镀镍 | 55~60HRC | 
| BCAPCRN | BCAMCRN | SUS440C | 无电解镀镍 | 50~55HRC | 
| BCAPS | BCAMS | SUS303 | / | / | 
·
| 型式 | D | D公差 | 
					P | 
					L | R | ||
| Type | p6 | m6 | |||||
| 
					D尺寸p6 | 
					D尺寸m6 | 8 | 
					+0.024 | 
					+0.015 | 4.00~4.50 | 10.0~13.0 | 1.0 | 
| 10 | 4.00~6.50 | 10.0~20.0 | |||||
| 12 | 
					+0.029 | 
					+0.018 | 6.00~8.50 | 2.0 | |||
| 15 | 8.00~10.50 | 10.0~40.0 | |||||
| 18 | 10.00~12.50 | ||||||
| 20 | 
					+0.035 | 
					+0.021 | 12.00~13.50 | ||||
| 22 | |||||||
| 25 | 13.00~15.50 | ||||||
| 26 | 15.00~16.50 | ||||||
| 30 | 16.00~20.50 | 12.0~60.0 | 3.0 | ||||
| 35 | 
					+0.042 | 
					+0.025 | 20.00~25.00 | ||||
· !L≤PX3.0

扫一扫,关注我们
