
 
    在线咨询咨询热线:88888888
咨询客服,我们快速为您报价,或者提供技术支持!
	 
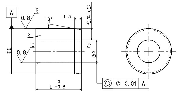
	· 请按照选型步骤①-③选择型式和参数后进行订购。
订货举例:型式(①Type.②P)-③L
BAUUHR3-L6
| Type | 材质 | 表面处理 | 硬度 | 
| D尺寸m6 | |||
| BAUUHR | SUJ2 | / | 58~61HRC | 
| 
					BAUKHR | SUJ2 | 无电解镀镍 | 58~61HRC | 
·
| 型式 | P公差 | L选择 | 壁厚(E) | R | D | D容差 | |||||
| Type | P | 无表面处理 | 无电解镀镍 | D公差(p6) | D公差(m6) | ||||||
| 
					(m6) | 3 | G6 | 
					+0.008 | H7 | 
					+0.01 | 6 8 10 12 | 1 | 0.5 | 5 | 
					+0.02 | 
					+0.012 | 
| 4 | 
					+0.012 | 
					+0.012 | 6 8 10 12 15 16 | 1 | 0.5 | 6 | |||||
| 5 | 6 8 10 12 15 16 20 | 1 | 0.5 | 7 | 
					+0.024 | 
					+0.015 | |||||
| 6 | G6 | 6 8 10 12 15 16 20 | 1 | 0.5 | 8 | ||||||
| 8 | 
					+0.014 | 
					+0.014 | 6 8 10 12 15 16 20 | 1 | 0.5 | 10 | |||||
| 10 | 6 8 10 12 15 16 20 | 1.5 | 0.5 | 13 | 
					+0.029 | 
					+0.018 | |||||
| 12 | 
					+0.017 | 
					+0.017 | 8 10 12 15 16 20 | 1.5 | 0.5 | 15 | |||||
| 13 | 10 12 15 16 20 | 2 | 1 | 17 | |||||||
| 15 | 12 15 16 20 | 2 | 1 | 19 | 
					+0.035 | 
					+0.021 | |||||
| 16 | 12 15 16 20 25 | 2.5 | 2 | 21 | |||||||
| 20 | 
					+0.020 | 
					+0.020 | 12 15 16 20 25 | 3 | 2 | 26 | |||||
| 25 | 20 25 | 3 | 2 | 31 | 
					+0.042 | 
					+0.025 | |||||
·
·

扫一扫,关注我们
