
 
    在线咨询咨询热线:88888888
咨询客服,我们快速为您报价,或者提供技术支持!
	 
	请按照选型步骤①-④选择型式和参数后进行订购。
订货举例:型式(①Type.②D)-③P-④L
BSUFPKRY7-P3.6-L3
·
·
| Type | 材质 | 表面处理 | 硬度 | |
| D尺寸p6 | D尺寸m6 | |||
| BSUFPKRY | BSUFMKRY | SKS3 | 四氧化三铁保护膜 | 55~60HRC | 
| BSUFPKR | BSUFMKR | SKS3 | / | 55~60HRC | 
| BSUFPKRN | BSUFMKRN | SKS3 | 无电解镀镍 | 55~60HRC | 
| BSUFPCR | BSUFMCR | SUS440C | / | 50~55HRC | 
·
·
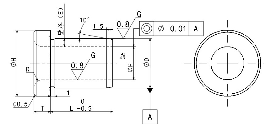
| 型式 | D | D容差P | 
					P | 
					L | 壁厚(E) | R | H | T | ||
| Type | D公差(p6) | D公差(m6) | ||||||||
| 
					D尺寸p6 | 
					D尺寸m6 | 7 | 
					+0.024 | 
					+0.015 | 3.51~5.00 | 3.0~6.0 | 1.00~1.74 | 0.5 | 11 | 2.5 | 
| 8 | 4.51~6.00 | 3.0~10.0 | 1.00~1.74 | 0.5 | 12 | 3 | ||||
| 9 | 4.51~6.50 | 1.25~2.24 | 0.5 | 13.5 | 3 | |||||
| 10 | 6.51~8.00 | 3.0~15.0 | 1.00~1.74 | 0.5 | 14 | 3 | ||||
| 11 | 
					+0.029 | 
					+0.018 | 8.00~9.00 | 1.00~1.50 | 0.5 | 15 | 3 | |||
| 12 | 8.51~9.00 | 1.50~1.74 | 0.5 | 16 | 4 | |||||
| 13 | 8.51~10.00 | 5.0~35.0 | 1.50~2.24 | 0.5 | 17 | 4 | ||||
| 14 | 9.00~11.00 | 1.50~2.50 | 0.5 | 18 | 4 | |||||
| 15 | 10.51~12.00 | 1.50~2.24 | 0.5 | 19 | 4 | |||||
| 17 | 10.51~13.00 | 2.00~3.24 | 1.0 | 21 | 5 | |||||
| 18 | 12.51~14.00 | 2.00~2.74 | 1.0 | 22 | 5 | |||||
| 20 | 
					+0.035 | 
					+0.021 | 13.51~15.00 | 2.50~3.24 | 1.0 | 26 | 5 | |||
| 22 | 13.51~17.00 | 2.50~4.24 | 1.0 | 26 | 5 | |||||
| 25 | 15.51~19.00 | 3.00~4.74 | 1.0 | 30 | 5 | |||||
| 26 | 16.51~20.00 | 3.00~4.74 | 1.0 | 30 | 5 | |||||
| 30 | 20.51~24.00 | 3.00~4.74 | 1.5 | 35 | 6 | |||||
| 35 | 
					+0.042 | 
					+0.025 | 25.01~29.00 | 5.0~50.0 | 3.00~4.99 | 1.5 | 40 | 6 | ||
· P≤3.59时,L+T≤Px2.5 P≥3.6时,L+T≤Px3.0

扫一扫,关注我们
