和我们在线交谈!

欢迎光临乐思体育直播(深圳)有限公司

乐思体育直播(深圳)有限公司

17年专注数控车床加工、自动车床加工CNC加工,车铣复合精密零件

全国咨询热线8888888803388888888

车铣复合加工
全国服务热线88888888
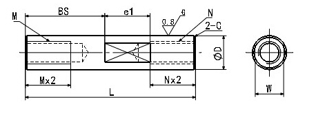
  • 导向轴两端内螺纹带扳手槽型通孔型
  • 导向轴两端内螺纹带扳手槽型通孔型.jpg
  • 导向轴两端内螺纹带扳手槽型通孔型.jpg

导向轴两端内螺纹带扳手槽型通孔型 类别:车铣复合加工

产品简介:导向轴两端内螺纹带扳手槽型通孔型

在线咨询咨询热线:88888888

咨询客服,我们快速为您报价,或者提供技术支持!

产品介绍