
 
    在线咨询咨询热线:88888888
咨询客服,我们快速为您报价,或者提供技术支持!
	 
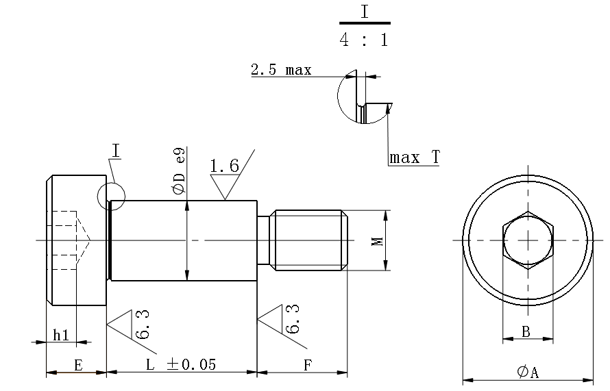
	请按照选型步骤①-⑤选择型式和参数后进行订购。
订货举例:型式(①Type.②D)-③L
标准型   LDES4-L10
订货举例:型式(①Type.②D)-③L-④F
自由指定型   LDFES4-L10-F4
	
| De9 | - 0.20 - 0.050 | L 指定单位 0.1mm | F 指定单位0.5mm | 
| 4 | 10~40 | M≤F≤M×2 | |
| 4.5 | |||
| 5 | |||
| 5.5 | |||
| 6 | |||
| 6.5 | - 0.025 - 0.061 | ||
| 8 | |||
| 10 | 
| 自由指定型 | Type | D公差 | 相当材质 | 硬度 | 表面处理 | 强度分类 | 
| LDFEG | e9 | SCM435 | 33~38HRC | 无电解镀镍 | 10.9 | |
| LDFES | 相当于SUS304 | / | / | A2-50 | 

扫一扫,关注我们
