
 
    在线咨询咨询热线:88888888
咨询客服,我们快速为您报价,或者提供技术支持!
	 
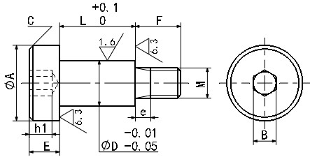
	请按照选型步骤①-⑥选择型式和参数后进行订购。
订货举例:型式(①Type.②D)-③L-④A-⑤E-⑥F
CATY4-L6-A8-E4-F3
	
| 内六角孔 | 相当材质 | 硬度 | 表面处理 | 
| CBTYF | S45C | / | 四氧化三铁保护膜 | 
| CBSF | SUS303 | / | / | 
| D | L 指定单位0.1mm | A选择 | E 指定单位0.1mm | F 指定单位1mm | 
| 4 | 5.0~20.0 | 6.8 | 2.0~4.0 | 3~4 | 
| 5 | 8 10 | 3~6 | ||
| 6 | 10 12 | 2.5~4.5 | 4~8 | |
| 8 | 12 16 | 5~10 | ||
| 10 | 16 18 20 | 3.0~5.0 | 6~12 | |
| 12 | 18 20 22 24 | 8~12 | ||
| 13 | ||||
| 15 | 20 22 24 | 10~15 | ||

扫一扫,关注我们
