
 
    在线咨询咨询热线:88888888
咨询客服,我们快速为您报价,或者提供技术支持!
	 
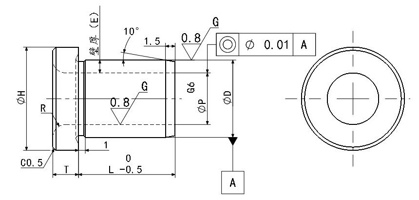
· 请按照选型步骤①-③选择型式和参数后进行订购。
	
订货举例:型式(①Type.②P)-③L
BSCPKR2-L5
·
| Type | 材质 | 表面处理 | 硬度 | |
| D尺寸p6 | D尺寸m6 | |||
| BSCPKR | BSCMKR | SKS3 | / | 58-61HRC | 
·
	
 
·
| 型式 | p公差(G6) | L选择 | D | H | 壁厚(E) | T | R | D容差 | ||
| Type | P | D公差(p6) | D公差(m6) | |||||||
| 
					(p6)   | 2 | 
					+0.008 | 5 6 8 10 12 | 5 | 9 | 1.5 | 2.5 | 0.8 | 
					+0.002 | 
					+0.012 | 
| 3 | 5 6 8 10 12 | 7 | 11 | 2 | 2.5 | 0.8 | 
					+0.024 | 
					+0.015 | ||
| 4 | 
					+0.012 | 5 6 8 10 12 15 16 20 | 8 | 12 | 2 | 3 | 1 | |||
| 5 | 5 6 8 10 12 15 16 20 | 10 | 14 | 2.5 | 3 | 1 | ||||
| 6 | 5 6 8 10 12 15 16 20 25 | 10 | 14 | 2 | 3 | 1 | ||||
| 8 | 
					+0.014 | 5 6 8 10 12 15 16 20 25 | 12 | 16 | 2 | 4 | 2 | 
					+0.029 | 
					+0.018 | |
| 10 | 6 8 10 12 15 16 20 25 | 15 | 19 | 2.5 | 4 | 2 | ||||
| 12 | 
					+0.017 | 8 10 12 15 16 20 25 30 | 18 | 22 | 3 | 4 | 2 | |||
| 13 | 10 12 15 16 20 25 30 | 22 | 26 | 4.5 | 5 | 2 | 
					+0.035 | 
					+0.021 | ||
| 15 | 12 15 16 20 25 30 | 25 | 30 | 5 | 5 | 2 | ||||
| 16 | 12 15 16 20 25 30 | 26 | 30 | 5 | 5 | 2 | ||||
| 20 | 
					+0.020 | 12 15 16 20 25 30 | 30 | 35 | 5 | 6 | 3 | |||
| 25 | 16 20 25 30 35 | 35 | 40 | 5 | 6 | 3 | +0.042 | 
					+0.025 | ||
·

扫一扫,关注我们
